Izolowana płyta montażowa z bakelitu dla obudowy PLAwys.1000xW1000mm NSYPMB1010

Cena:

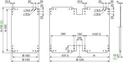
Izolowana płyta montażowa z bakelitu dla obudowy PLAwys.1000xW1000mm. rodzina produktów: Thalassa PLA - akcesoria / oddzielny typ części: płyta montażowa - aplikacja urządzenia: wielozadaniowy - miejsce montażu: ślizg krokowy, wkładki - kompatybilność produktu: obudowa PLA. Zalety: .. Zastosowanie: ..

Dane techniczne

CN
85381000
Szerokość [mm]
1000
Perforacja
Nie
Materiał
Tworzywo sztuczne
PKWiU
27.12.40.0
Wysokość [mm]
1000
Zabezpieczenie powierzchni
Nieobrabiana

Dane logistyczne

Ean
3606480194177
Typ przesyłki - dla 1 jednostki sprzedażowej
Paczka

Producent / Podmiot odpowiedzialny

SEISAS (SCHNEIDER ELECTRIC INDUSTRIES SAS
rue Joseph Monier 35, 92500 Rueil-Malmaison
poland.helpdesk@se.com
https://www.se.com