Izolowana płyta montażowa z bakelitu dla obud.PLAwys.500xW750mm lub wys.750xW500mm NSYPMB75

Cena:

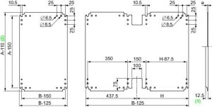
Izol.pł.mont.z bakelitu dla obud.PLAwys.500xW750mm lub wys.750xW500mm. rodzina produktów: Thalassa PLA - akcesoria / oddzielny typ części: płyta montażowa - aplikacja urządzenia: wielozadaniowy - miejsce montażu: ślizg krokowy, wkładki - kompatybilność produktu: obudowa PLA. Zalety: .. Zastosowanie: ..

Dane techniczne

CN
39269097
Szerokość [mm]
750
Perforacja
Nie
Materiał
Tworzywo sztuczne
PKWiU
27.12.40.0
Wysokość [mm]
500
Zabezpieczenie powierzchni
Nieobrabiana

Dane logistyczne

Ean
3606480194108
Typ przesyłki - dla 1 jednostki sprzedażowej
Paczka

Producent / Podmiot odpowiedzialny

SEISAS (SCHNEIDER ELECTRIC INDUSTRIES SAS
rue Joseph Monier 35, 92500 Rueil-Malmaison
poland.helpdesk@se.com
https://www.se.com